«Металлоконструкции качественно и в срок»
Типы прожекторных мачт
железобетонные - ПМЖ и металлические - ПМС.
Отдельно стоящие МЖ и МС.
Маркировка прожекторных мачт (ПМ), после указания типа (С или Ж).
Цифры говорят о высоте прожекторных матч.
Стойка мачт и молниеотводов устанавливаются на фундаменты из свай по серии 3.407.9-146 вып.2 или 3.407.1-144 вып.1 в соответствии с рекомендуемыми схемами приведенными на листах 3.407.9-172.1-17_3.407.9-172.1-19.
Cерии 3.407.9-172
Прожекторные мачты и молниеотводы производятся предприятием «СЗЗМК» согласно серии 3.407.9-172 «Прожекторные мачты и отдельно стоящие молниеотводы» и серии 3.501.2-123 «Мачты осветительные высотой 21, 28, 35, 45 м.»
Серия 3.407.9-172
«Прожекторные мачты и отдельно стоящие молниеотводы» Прожекторные мачты и отдельно стоящие молниеотводы предназначены для освещения и молниезащиты открытых распределительных устройств электрических подстанций напряжением 35-500 кВ.
Прожекторные мачты
Прожекторная мачта 18,4м(3.407-108)
Молниеотвод высотой 18,4 метров, изготавливается по ...
Прожекторная мачта 21м(3.501.2-123)
Молниеотвод высотой 21 метров, изготавливается по типовому ...
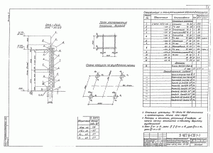
Прожекторная мачта 24м(3.407.9-172)
Молниеотвод высотой 24 метров, изготавливается по типовому ...
Прожекторная мачта 25,5м(3.407-108)
Молниеотвод высотой 25,5 метров, изготавливается по ...
Прожекторная мачта 28м(3.501.2-123 1)
Молниеотвод высотой 28 метров, изготавливается по типовому ...
Прожекторная мачта 30,5м(3.407-108)
Молниеотвод высотой 30,5 метров, изготавливается по ...
Прожекторная мачта 29,3м(3.407.9-172)
Молниеотвод высотой 29,3 метров, изготавливается по ...
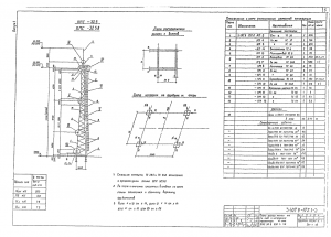
Прожекторная мачта 32,5м(3.407.9-172)
Молниеотвод высотой 32,5 метров, изготавливается по ...
Прожекторная мачта 35м(3.501.2-123)
Молниеотвод высотой 35 метров, изготавливается по типовому ...
Прожекторная мачта 45м(3.501.2-123)
Молниеотвод высотой 45 метров, изготавливается по типовому ...
В работе с клиентами нашу компанию отличает высокий профессионализм и скорость выполнения заказов.
Особое внимание мы уделяем поддержке клиента на всех этапах сотрудничества.
г. Санкт-Петербург, ул. Новоселов д.8, литера А, помещ. 8Н, офис 204info@zmcregion.ru













